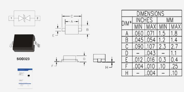
产品名称: ESD静电抑制器 SDxxC
发布日期: 2019-03-28
点击数: 7222
二维码:
简述: ESD静电抑制器 SDxxC
上一个:ESD静电抑制器 06ESD 1.6x0.8
下一个:ESD静电抑制器 SLVU2.8-4
版权所有©苏州鼎时电子科技有限公司
邮箱:michael.gao@dsfuse.com
苏ICP备16029630号-1