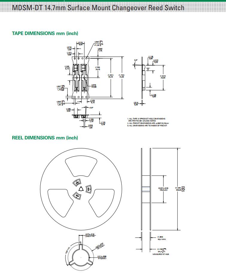
产品名称: MDSM-DT 系列 - 14.7mm表面贴装转换磁簧开关|HAMLIN|干簧管
发布日期: 2019-10-25
点击数: 38263
二维码:
简述: MDSM-DT 系列 - 14.7mm表面贴装转换磁簧开关|HAMLIN|干簧管
上一个:55140 系列 - 法兰安装式霍尔效应传感器
下一个:没资料
版权所有©苏州鼎时电子科技有限公司
邮箱:michael.gao@dsfuse.com
苏ICP备16029630号-1