产品名称: TMOV20D系列
发布日期: 2023-09-04
点击数: 2570
二维码:
简述:
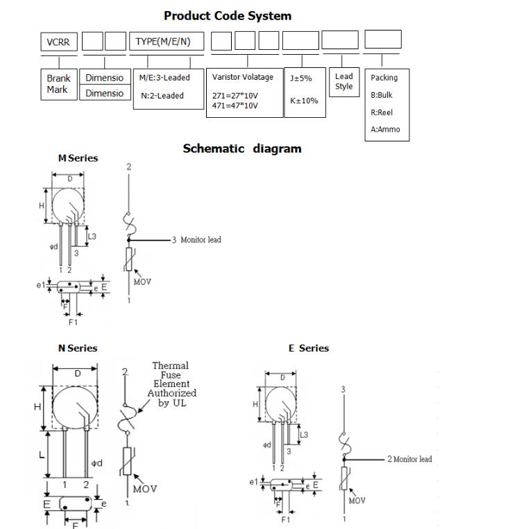
TMOV20D系列•压敏电压从(18V-1800V) •具有UL ,TUV认证,符合RoHS,Reach标准,无铅 •专利的集成热保护装置 - •旨在促进符合UL1449第3版SPD产品 •和促进符合IEC62368 ,IEC61643-331产品 •高峰值浪涌电流额定值高达10kA •波可焊 •标准引线形式和间距选项 •低泄漏 •-55°C至+ 85°C的工作温度范围

上一个:TMOV14D系列